来源 :思瑞浦3PEAK2024-12-02
模拟芯片和数模混合
聚焦模拟芯片和数模混合产品的供应商思瑞浦3PEAK(股票代码:688536)全新发布16位Σ-Δ精密模数转换器(ADC)TPC6160S TPC6160I,产品具备测量最常见传感器信号所需的全部功能。
TPC6160S/6160I集成了可编程增益放大器(PGA)、电压基准、振荡器和高精度温度传感器。TPC6160S/6160I以强有力的性能优势,非常适用于如热电偶测量、储能BMS、以及模拟量输入等高精度测量应用。
TPC6160S/6160I产品优势
16位分辨率Σ-Δ ADC,高采样精度
可编程数据传输速率:64SPS 至 8kSPS
内置PGA,支持±256mV 至±6.144V宽输入范围
支持4路单端或2路差分输入,寄存器可配置
串行接口:I2C SPI
高共模抑制能力
* DC CM, FSR=±0.256V,CMRR: 126dB
* FCM=50Hz 60Hz, DR=1kSPS, CMRR: 112dB
INL积分非线性

有效分辨率及无噪声分辨率


TPC6160S/6160I典型应用
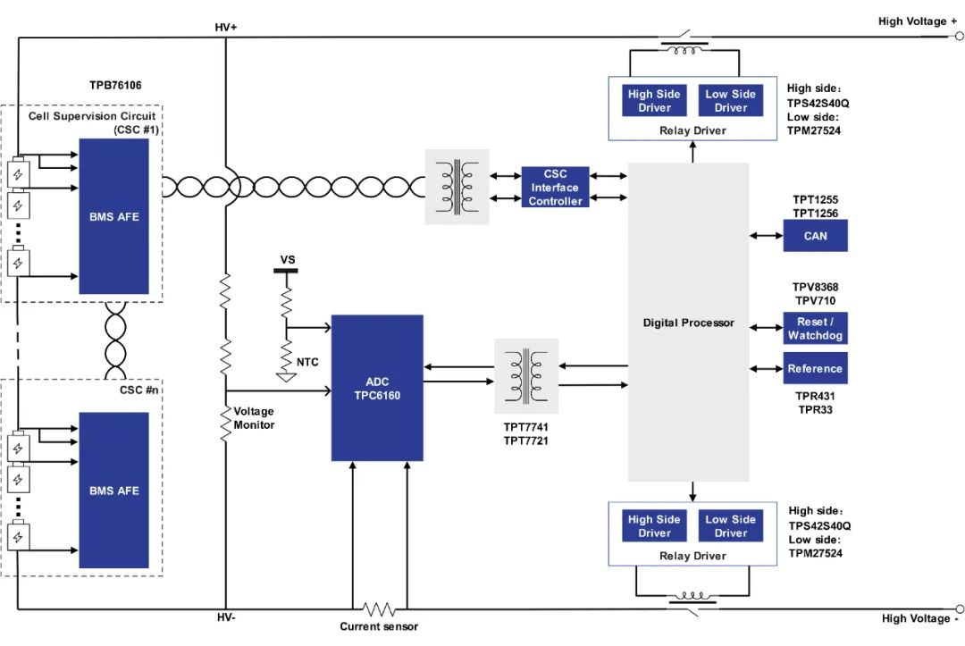
TPC6160可用于储能BMS中总电压、总电流、温度、绝缘阻抗等测量和监控。TPC6160共有4个输入通道,内部集成PGA,便于测量电池组总电压、NTC温度、高压链路电压、机箱绝缘阻抗等。TPC6160较低的失调误差、增益误差以及噪声,配合外部高精度采样电阻,可精准检测电池包总电流。

DCS/PLC模拟量输入/温度测量,TPC6160内置可编程增益PGA,通过多路复用器(MUX)测量双路差分或四路单端输入,可灵活配置,用于测量温度,和4mA~20mA、±10V等模拟量输入信号。

TPC6160S/6160I产品特性
16bit SDM ADC
可编程数据吞吐率
64SPS 至 8kSPS
内部可编程增益放大器
四路单端或两个差分输入
单周期稳定(速率:64SPS 至 1kSPS)
内部低漂移电压基准
内部温度传感器/比较器
内部振荡器
串行接口: SPI/I2C
工作模式:
连续模式
单次模式
宽电源电压范围:2.7V 至 5.5V
小型封装:
MSOP10
TPC6160S/6160I现已量产,可提供样品和评估板服务。如有需求,请联系思瑞浦当地销售团队或邮件至business@3peak.com。
