来源 :思瑞浦官方2023-12-20
聚焦高性能模拟芯片与嵌入式处理器
聚焦高性能模拟芯片与嵌入式处理器的半导体公司——思瑞浦(3PEAK,股票代码:688536)推出全新宽压Buck—TPP36308。
TPP36308主要产品优势包含4.5V~36V宽输入电压范围、3A持续输出电流、频率及轻载工作模式可选,可广泛适用于光伏逆变、伺服驱动、安防监控、楼宇智能、智能家电、工业自动化等应用场景。
TPP36308产品特性
输入电压范围:4.5V~36V,最高耐压42V
输出电压范围:0.6V~34V
输出电压精度:0.6±2%
持续输出电流:3A
低静态电流:90μA
集成高压侧85mΩ和低压侧45mΩ功率MOSFET
固定2ms内部缓启动时间
具备400kHz(TPP363080/2)及1MHz(TPP363081/3)两种工作频率可选
具备轻载PSM(TPP363080/ 1)及FPWM(TPP363082/3)两种工作模式可选
集成过流、过压及过温保护功能
工作结温范围:-40°C to +125°C
封装:TSOT23-6

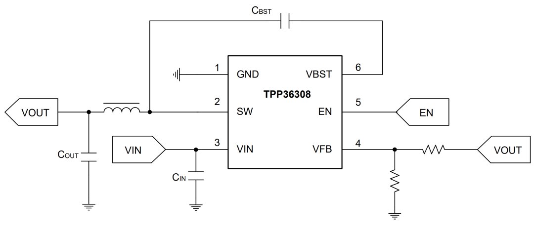
TPP36308典型电路
TPP36308效率测试
工业应用部分场景对于电路设计整体功耗要求较高,TPP363080在12V转5V、10mA~3A输出条件下,效率均可达90%以上,最高能达到96%,满足客户对于各种负载条件下高效率的需求。

TPP363080效率测试
TPP36308温升测试
TPP36308采用高功率密度、小体积封装TSOT23-6(2.90mmX1.60mm),可在小功率应用中替换客户采用的SOP-8、TO-220封装的产品,从而节省客户的布板空间,满足目前产品趋于小型化的诉求;
在25°C环温、12V/24V输入、5V@1.5A输出的测试条件下芯片壳温分别为43°C和48.7°C。
12V转5V@1.5A
24V转5V@1.5A
TPP36308应用推荐

TPP36308已在光伏逆变及扫地机市场大量出货,思瑞浦可提供整体电源方案。

光伏逆变器辅源控制板电源解决方案

扫地机电源解决方案
TPP36308多种拓扑方案

为满足更广泛的应用场景,除了经典的降压拓扑外,思瑞浦还可提供TPP36308用作Inverting Buck-Boost、Flybuck、Flyback的其他拓扑,并且可以根据客户具体应用推荐相应外围参数。典型应用电路如下所示:

TPP36308 Inverting Buck-Boost拓扑
Inverting Buck-Boost拓扑可实现正电压输入、负电压输出,与经典降压拓扑相配合可以提供精准的正负电源轨。整机系统中的运算放大器等需要正负电源供电的场景可以使用该拓扑作为解决方案。该拓扑在应用中需注意:输入电压和输出电压的绝对值之和不能超过TPP363080的最大推荐工作电压,即36V。

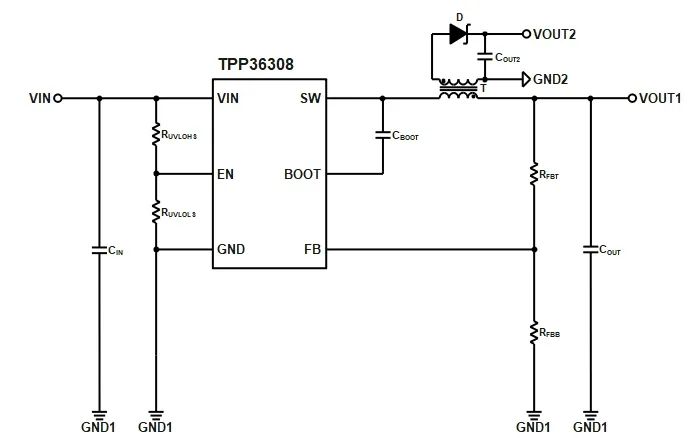
TPP36308 Flybuck拓扑
将经典降压拓扑中的电感更换为耦合电感(变压器),即可形成Flybuck拓扑。该拓扑对有隔离供电需求的场景非常友好,由于结构简单,基于该拓扑的解决方案成为宽输入电压范围、小功率、小尺寸隔离电源的优选方案,可广泛用于隔离栅极驱动、隔离信号采样、隔离接口等领域。

TPP36308 Flyback拓扑
与前述隔离降压拓扑类似,将Inverting Buck-Boost拓扑中的电感更换为耦合电感(变压器),即可生成Flyback拓扑。它除具备输出电气隔离特点以外,将原副边的地短接在一起即可实现用单颗降压转换器实现正负电源输出,解决方案更加简单,更节约成本。
TPP36308现已量产出货,可提供样品和订购服务。如有需求请联系思瑞浦当地销售团队或邮件至business@3peak.com。

关于思瑞浦
思瑞浦微电子科技(苏州)股份有限公司(英文:3PEAK INCORPORATED,股票代码:688536),公司始终坚持研发高性能、高质量和高可靠性的集成电路产品,包括信号链模拟芯片、电源管理模拟芯片和数模混合模拟前端,并逐渐融合嵌入式处理器,为客户提供全方面的解决方案。其应用范围涵盖信息通讯、工业控制、新能源和汽车、医疗健康等众多领域。
业务:business@3peak.com
网址:www.3peak.com
销售:021-51090810-6016