来源 :思瑞浦官方2023-04-06
高性能模拟芯片和嵌入式处理器
聚焦高性能模拟芯片和嵌入式处理器的半导体设计公司——思瑞浦(英文:3PEAK,股票代码:688536)推出全系列汽车级CAN收发器。产品均已实现量产出货,包括TPT1051Q、TPT1042Q、TPT1043Q和TPT1145Q。
凭借卓越产品性能,车规CAN系列能够提升总线耐压能力,增强总线ESD性能,IO口兼容5V和3.3V应用,唤醒模式涵盖本地唤醒、任意帧唤醒和特定帧局部网络唤醒,封装支持SOP和DFN。

CAN产品参数
思瑞浦汽车级CAN产品
产品特点
符合ISO11898-2:2016、SAEJ2284-1到SAEJ2284-5的协议标准
供电5V,IO口供电支持2.8V~5.5V
支持CAN FD,最高速率为5Mbps
Bus Fault 保护电压:共模和差分±70V
共模工作电压:±30V
IEC接触放电能力最高达±15kV,国际领先水平
低功耗模式支持:
Silent mode
Standby mode
Sleep mode
器件故障保护:
TXD Dominant Time-out
TXD Shorted to RXD Detection
Bus Dominant Time-out
Under-Voltage Lockout (UVLO)
Over-Temperature Protection (OTP)
封装:SOP、DFN
提供德国第三方机构出具的兼容性报告,EMC和ESD报告
思瑞浦汽车级CAN产品
明星产品
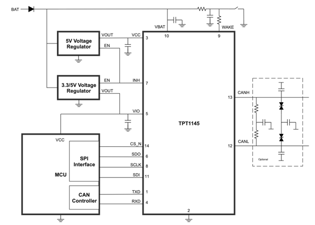
TPT1145Q是目前国内首个,也是国内唯一一款已量产的支持特定帧唤醒的CAN收发器。
TPT1145Q在Standby与Sleep状态下均能保持极低功耗,同时也可以通过INH管脚控制ECU模块的电源系统。如下图所示,仅在收到特定帧格式的唤醒指令后才精确唤醒响应的ECU模块,从而避免整个CAN网络频繁的唤醒休眠产生的额外功耗,帮助TPT1145Q成为控制ECU节点功耗的利器,应用在整车中则能增加新能源汽车续航里程、降低传统汽车碳排放。

TPT1051Q、TPT1042Q、TPT1043Q和TPT1145Q 均已量产,具备诸多亮点:
亮点一
CAN收发器具备共模和差分±70V的BUS保护电压,可以满足24V电池系统,为12V电池平台留有更大的设计余量。
亮点二
IEC61000-4-2 IEC Contact mode,在不加外部TVS器件的情况下,通过15kV接触放电,可省去2个TVS保护器件,节约客户BOM成本。是国内唯一一家通过IBEE 15kV接触放电测试的供应商,在不加外部TVS器件情况下即可通过测试,且能提供相应的测试报告。
亮点三
通过IBEE的EME测试,在CAN FD模式下可以Pass Class-III等级,具备优秀的EME能力。
思瑞浦汽车级CAN产品
均能出具C S兼容性报告、EMC和ESD报告
思瑞浦全系列汽车级CAN产品均能出具C S兼容性报告和IBEE出具的EMC和ESD报告。
C S兼容性报告
目前,车企根据车身架构的需求设计整车的CAN网络,各电子零部件通过CAN收发器接入对应的CAN网络。由于电子零部件可能来自不同的Tier 1,使用的CAN收发器的品牌不尽相同,所以对于CAN收发器的兼容性提出了高要求。思瑞浦全系列汽车级CAN产品均能提供德国C S实验室提供的兼容性报告,可直接和其他通过C S认证的CAN收发器无障碍通信。

C S兼容性报告
IBEE EMC ESD报告
思瑞浦全系列汽车级CAN产品均能提供德国IBEE出具的EMC和ESD报告,保证零部件的EMC测试通过,同时思瑞浦全系列汽车级CAN产品IEC61000-4-2能力均达到10kV以上,处于国际领先地位,大幅提高零部件的CAN总线的可靠性,从而减少在生产、装配和使用过程中CAN接口受ESD影响产生的损害问题。

EMC报告

关于思瑞浦
思瑞浦微电子科技(苏州)股份有限公司(英文:3PEAK INCORPORATED,股票代码:688536),公司始终坚持研发高性能、高质量和高可靠性的集成电路产品,包括信号链模拟芯片、电源管理模拟芯片和数模混合模拟前端,并逐渐融合嵌入式处理器,为客户提供全方面的解决方案。其应用范围涵盖信息通讯、工业控制、监控安全、医疗健康、仪器仪表、新能源和汽车等众多领域。