来源 :爱集微2023-09-08
集微网消息,9月7日,帝奥微电子正式发布了一款超低功耗、超小封装的双通道运算放大器:DIO20182。这款产品属于双通道轨到轨输入/输出CMOS运算放大器,适用于血氧监测设备,拥有1pA超低偏置电流,提供DFN1.6*1.2-8超小封装。

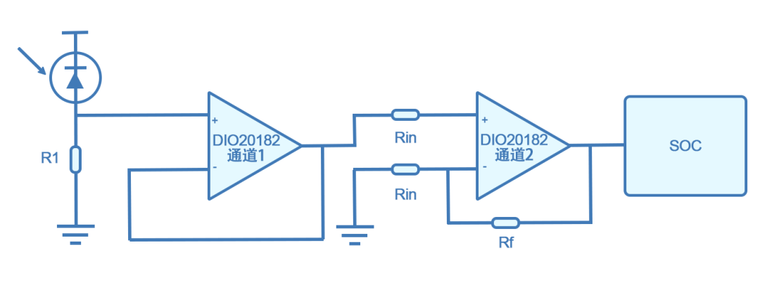
如今消费者愈发关注个人健康,众多智能手环、智能手表等产品也已普及了血氧检测功能,因其是人体健康的重要指标之一。原理上,智能设备在测量血氧时,会放置红光、红外光两个光源,当这两种光线照射到手臂时,其中一部分光会被血液中的血红蛋白吸收,另一部分被反射回来给到接收的“光电晶体管”。通过测量这两种光线在血液中的吸收程度,智能手表就能够准确测量血氧饱和度。

帝奥微DIO20182运算放大器专门针对血氧检测设备设计。由于反射回来给到接收的光电晶体管的电流信号极其微弱,故需要采用1pA超低偏置电流的DIO20182,将微弱的电流信号放大后,再给到SoC的ADC进行处理分析,最后得出使用者的血氧饱和度。
DIO20182非常适合应用于智能手表/手环、便携式医疗,及其他对微小电流负载非常敏感的信号放大相关产品。

据了解,帝奥微此款运放芯片拥有超低功耗,静态电流仅300nA/每通道,完美适用于电池供电和便携式设备。产品支持1.4V至5.5V宽工作电源电压范围,失调电压最大值也仅有±3.5mV,工作温度范围支持到-40℃到125℃。此外,这款芯片的输出压摆率为3V/ms,单位增益带宽5kHz。
根据官方对DIO20182偏置电流的测试,可以看出在-2.75V到2.75V电压范围内,DIO20182的偏置电流在0~2.25pA左右。测试时环境温度25℃。

此外,在-40℃到85℃不同温度的测试条件下,DIO20182的偏置电流都能保持在±5pA以内,非常适用于对微小电流信号放大的应用。
为满足智能手表、手环高集成度的需求,帝奥微DIO20182采用超小封装DFN1.6*1.2-8,不过多占用寸土寸金的PCB空间。该产品同时还提供SOIC-8和MSOP-8封装,温度范围可到-40至125℃,可以满足工业和医疗上的应用。


集微网了解到,帝奥微产品主要分为信号链模拟芯片和电源管理模拟芯片两大系列,主要应用于汽车电子、消费电子、通讯设备、工业以及医疗器械等领域。公司产品已进入OPPO、小米、vivo、比亚迪、高通等供应链。