来源 :电子工程专辑2023-06-27
引言:
伴随着汽车电动化和智能化的快速发展,直流电机在汽车上得到更加广泛的应用。直流电机是将电能转化为机械能的一种装置。它的主要作用是产生驱动转矩,为电机和各种机械提供动力源。直流电机在汽车上的应用,大大提高了智能化操作,给车主使用带来极大的舒适性和良好的体验感。
汽车电子化程度和集成度越来越高,对各类驱动需求也在相应增加。帝奥微凭借自身领先的研发实力和工艺水平,重磅推出的集成H桥大电流直流电机驱动器DIA57100。
DIA57100符合车规AEC-Q100认证,适用于各类汽车车身控制模块中的各种电机驱动,比如折叠后视镜、门锁、门把手、充电口盖、儿童锁、尾门锁等。
DIA57100应用领域
DIA57100普遍应用于汽车车身控制的直流电机驱动。


DIA57100是一款高性能和高可靠性的有刷直流电机驱动器,工作电压范围4V至38V,能应用于各种类型的电机和负载驱动。驱动器由逻辑控制,高低边驱动和功能保护模块组成,内置电流感测和比例输出功能,内置charge pump电容,简化外围电路设计。
DIA57100具有15A的峰值输出电流,完全能满足汽车应用领域的大电流电机驱动需求。同时产品具有全面的保护机制和故障诊断功能,为电机驱动工作提供极高的安全性和稳定性保护。
典型应用

DIA57100具有多种应用场景
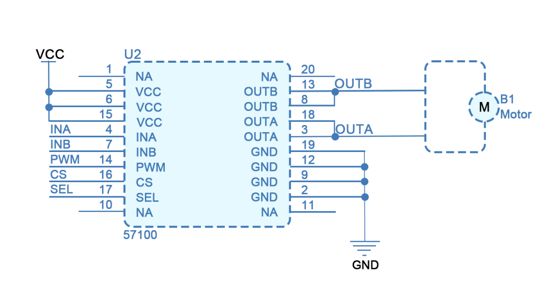
1.)直流有刷电机驱动
应用场景中,DIA57100被配置为使用H桥驱动直流电机。上位机通过控制INA、INB和PWM 实现电机的正转、反转及调速。CS输出一个小电流,该电流与负载电机电流成比例,可以使用外部电阻将该电流转换为成比例电压给到上位机做电流检测。

DIA57100在电机驱动时常用的几种工作模式:
| Mode0 |
HSDA and LSDB on |
Forward driver |
| Mode1 |
LSDA and LSDB on |
Brake mode |
| Mode2 |
LSDA and HSDB on |
Reverse driver |
| Mode3 |
LSDA and LSDB on |
Brake mode |

四种工作模式为汽车直流有刷电机驱动提供完整解决方案。
2.)大电流直流有刷电机驱动
对于需要更大电流驱动的应用需求,可以用两个H桥并联驱动大功率电机。

DIA57100主要性能指标:
?符合AEC-Q100规范
?输入电压范围:4-38V
?输出峰值电流:15A
?集成电流感测,成比例电流输出
?集成过压钳位保护,欠压锁定,热关断和输出短路保护功能
?低功耗待机模式
? PWM工作模式,频率支持最大20KHz
?具有多种故障诊断功能
?封装尺寸: EP-SOP16,SOP16
DIA57100具有输出短路保护功能:

OutA shorts to Vcc
OutA shorts to GND
DIA57100提供两种封装类型:EP-SOP16,SOP16。


EP-SOP16
SOP16
EP-SOP16器件本体底部带散热焊盘,提高芯片散热性能,相应提高输出驱动能力。
两种封装产品可工作于-40°C 至+125°C 的环境温度范围,满足AEC-Q100 Grade1标准。

针对汽车级电机驱动帝奥微后续将推出一系列产品,包括集成H桥直流电机驱动器、直流电机控制器和电机SoC控制器。同时帝奥微战略投资了国内领先的MCU供应商云途半导体,持续加大在汽车电机驱动产品全面布局和开发。
DIA57100已经正式送样,更多产品信息请关注帝奥微公众号。
关于帝奥微(688381.SH)
江苏帝奥微电子股份有限公司是一家专注于从事高性能模拟芯片的研发、设计和销售的集成电路设计企业,核心管理团队来自于仙童半导体(Fairchild Semiconductor),均拥有超过十五年以上的从业经验。
帝奥微产品主要分为信号链模拟芯片和电源管理模拟芯片两大系列,主要应用于汽车电子、消费电子、通讯设备、工业以及医疗器械等领域。凭借优异的技术实力、产品性能和客户服务能力,公司产品已进入众多知名终端客户的供应链体系,如 OPPO、小米、VIVO、比亚迪、Qualcomm、Google、Samsung等。
自成立以来,帝奥微始终坚持“全产品业务线”协调发展的经营战略,持续为客户提供高速、高效能、低功耗、品质稳定的模拟芯片产品。