来源 :海口国家高新区管委会2023-01-31
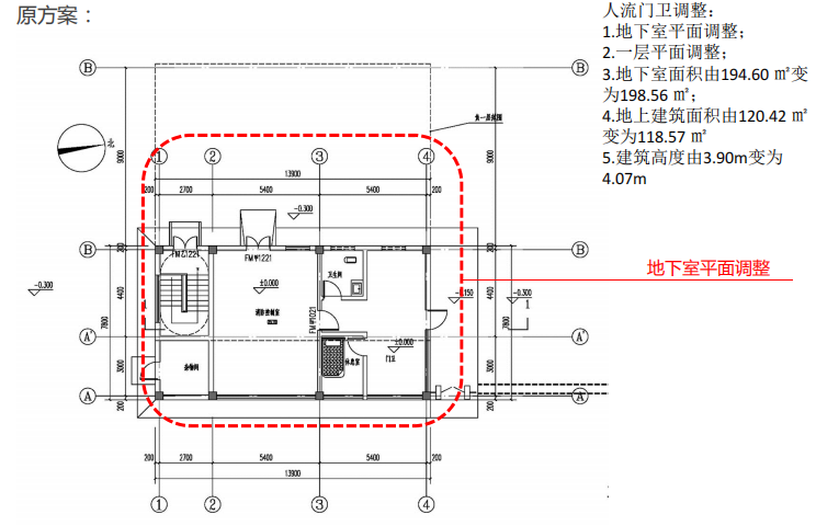
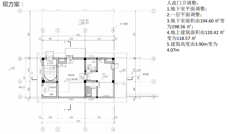
项目情况:一、建设单位名称:海南葫芦娃药业集团股份有限公司二、建设项目名称:海南葫芦娃药业集团股份有限公司美安儿童药智能制造基地项目三、建设项目位置:海口美安科技新城B0519-6地块四、公示内容海南葫芦娃药业集团股份有限公司美安儿童药智能制造基地项目于2021年3月12日完成规划报建,2022年9月22日完成第一次规划变更,项目总建筑面积83681.05平方米,本次申请第二次变更,调整的内容:1、辅助楼建筑面积由7857.68㎡调整为8086.71㎡;2、人流门卫建筑面积由315.02㎡调整为317.13㎡;3、物流门卫建筑面积由25.82㎡调整为21.61㎡; 4、锅炉房建筑面积由364.72㎡调整为366.25㎡;5、垃圾站建筑面积由357.12㎡调整为365.67㎡。本次申请变更总建筑面积由83681.05平方米(地上面积77113.18平方米,地下面积6567.87平方米),
|
|
变更前 |
变更后 |
增加面积 |
|
总建筑面积(㎡) |
83681.05 |
83972.66 |
291.61 |
|
地上建筑面积(㎡) |
77113.18 |
77400.82 |
287.64 |
|
地下面积(㎡) |
6567.87 |
6571.84 |
3.97 |
|
计容面积(㎡) |
78990.68 |
79278.32 |
287.64 |
变更为83972.66平方米(地上面积77400.82平方米,地下面积6571.84方米),地上面积增加287.64平方米,地下面积增加3.97平方米,容积率由1.51变更为1.52。其它不做修改。公示时间:7个工作日
公示地点:高新区门户网站(http://gxq.haikou.gov.cn/);建设项目现场。咨询电话:65580991,联系人:吴女士、黎先生。
海口国家高新区管委会
2023年1月31日因网络空间有限,仅公示重点内容。如需详情,请咨询公示中留下的联系电话或到海榆中线8.8公里狮子岭工业园海口国家高新区管委会行政审批局进行咨询。意见或建议应在公示期限内提出,逾期未反馈将视为无意见。??主要图纸B0519-6地块经济指标表变更前
B0519-6地块经济指标表变更后
总平面图变更前
总平面图变更后
辅助房平面图变更前
辅助房平面图变更后
人流门卫平面图变更前
人流门卫平面图变更后